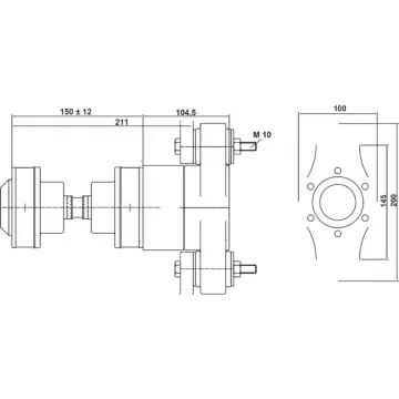
Model: CV10 154mm CV şaft
AQUADRIVE CVB 10.10 AQUADRIVE CVB 10.10
• Şaft Çapı: 40 mm’ ye kadar
• 65 HP ‘ ye kadar & 1200 rpm’ de 40HP
• CV10 tek başına kullanıldığında 2500 rpm’ de 100HP’ ye kadar makine gücünü kaldırabilir. /
• Tahrik şaftının maksimum hızı
• Taşıyıcı yatağın maksimum hızı
• 60 HP = 45 kW (1HP~0.75kW)
• CV10 için, 154 mm’lik standart boyun haricinde talebe göre istenilen uzunlukta imal edilebilir.
• Standart kaplin bağlantıları: Yanmar, Volvo, 4”-5” kaplin
• Standart dışı kaplin adaptör kitleri özel sipariştir.
|
Örnek Uygulama |
|
|
|
|
Tekne tipi |
Motor Gücü kW/HP |
Krankşaft devri rpm |
Şanzıman Oranı |
|
Yelkenli |
55/75 |
3800 |
2,6:1 |
|
Kayıcı |
62/85 |
3800 |
02:01 |
|
Deplasman tipi Motoryat |
40/55 |
2600 |
03:01 |
Üstteki örnekte optimum şartlarda şaft mafsalının 2 derecelik açıda olduğu kabul edilmiştir. 2 derecenin üzerindeki her açı için izin verilen maksimum güç %10 azaltılmalıdır.
...
...