3612221898

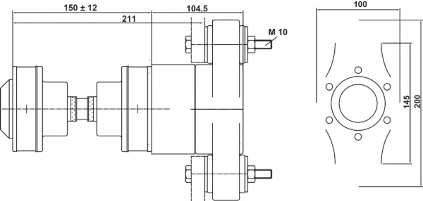
AQUADRIVE CVB 10.10

Model: CVB 10.10 Ø30mm - Set
₺70.732,74
Havale / EFT (%6 İndirim İmkanı)
₺66.488,78
Sadece Türk Lira'sına taksit yapılabilmektedir.
Model: CVB 10.10 Ø30mm - Set

AQUADRIVE CVB 10.10 AQUADRIVE CVB 10.10

• Şaft Çapı: 40 mm’ ye kadar
• 65 HP ‘ ye kadar & 1200 rpm’ de 40HP 
• CV10 tek başına kullanıldığında 2500 rpm’ de 100HP’ ye kadar makine gücünü kaldırabilir. /
• Tahrik şaftının maksimum hızı
• Taşıyıcı yatağın maksimum hızı 
• 60 HP = 45 kW (1HP~0.75kW)
• CV10 için, 154 mm’lik standart boyun haricinde talebe göre istenilen uzunlukta imal edilebilir.
• Standart kaplin bağlantıları: Yanmar, Volvo, 4”-5” kaplin
• Standart dışı kaplin adaptör kitleri özel sipariştir. 

Örnek Uygulama      
Tekne tipi Motor Gücü kW/HP Krankşaft devri rpm Şanzıman Oranı
Yelkenli 55/75 3800 2,6:1
Kayıcı 62/85 3800 02:01
Deplasman tipi Motoryat 40/55 2600 03:01

Üstteki örnekte optimum şartlarda şaft mafsalının 2 derecelik açıda olduğu kabul edilmiştir. 2 derecenin üzerindeki her açı için izin verilen maksimum güç %10 azaltılmalıdır.
...
...
Sepete eklendi
Ürün sepetine eklendi.
Sepeti Gör