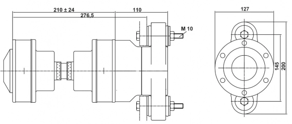
Model: B20.CV21 CV adaptör kit
AQUADRIVE CVB 21.10 AQUADRIVE CVB 21.10
• Şaft Çapı : 40 mm’ ye kadar
• 175 HP ‘ ye kadar & 1200 rpm’ de 130HP
• CV21 tek başına kullanıldığında 2500 rpm’ de 270 HP’ ye kadar makine gücünü kaldırabilir.
• Tahrik şaftının maksimum hızı
• Taşıyıcı yatağın maksimum hızı
• 175 HP = 130 kW (1HP~0.75kW)
• CV21 için 210 mm’lik standart boyun haricinde talebe göre istenen uzunlukta imal edilebilir.
• Standart kaplin bağlantıları : Yanmar, Volvo, 4”-5” kaplin
• Standart dışı kaplin adaptör kitleri özel sipariştir.
|
Örnek Uygulama |
|
|
|
|
Tekne tipi |
Motor Gücü kW/HP |
Krankşaft devri rpm |
Şanzıman Oranı |
|
Kayıcı |
173/235 |
3800 |
02:01 |
|
Yarı deplasman tipi Motoryat |
147/200 |
3300 |
2.2:1 |
|
Deplasman tipi Motoryat |
96/130 |
2500 |
3.1:1 |
Üstteki örnekte optimum şartlarda şaft mafsalının 2 derecelik açıda olduğu kabul edilmiştir. 2 derecenin üzerindeki her açı için izin verilen maksimum güç %10 azaltılmalıdır
...
...