Model: B30.CV32 CV adaptör kit
AQUADRIVE CVB 32.30 AQUADRIVE CVB 32.30
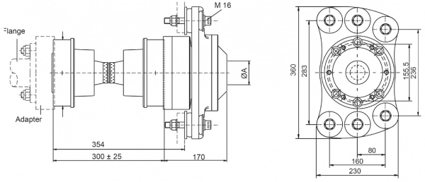
• Şaft Çapı: 70 mm’ ye kadar
• 350 HP ‘ ye kadar, ticari kullanımda 250 HP
• CV32 tek başına kullanıldığında 2500 rpm’ de 600 HP’ ye kadar makine gücünü kaldırabilir.
• Tahrik şaftının maksimum hızı
• Taşıyıcı yatağın maksimum hızı
• 350 HP = 260 kW (1HP~0.75kW)
• CV32 için 304 mm’ lik standart boyun haricinde talebe göre istenen uzunlukta imal edilebilir.
• Standart şanzıman kaplin bağlantı kiti opsiyonel
• Standart dışı kaplin adaptör kitleri özel sipariştir.
|
Örnek Uygulama |
|
|
|
|
Tekne tipi |
Motor Gücü kW/HP |
Krankşaft devri rpm |
Şanzıman Oranı |
|
Kayıcı |
270/365 |
3000 |
02:01 |
|
Deplasman tipi Motoryat |
195/265 |
2600 |
03:01 |
Üstteki örnekte optimum şartlarda şaft mafsalının 2 derecelik açıda olduğu kabul edilmiştir. 2 derecenin üzerindeki her açı için izin verilen maksimum güç %10 azaltılmalıdır
...
...