3630681771

AQUADRIVE CVB 32.30

Model: B30 Ana ünite
₺160.046,94
Havale / EFT (%6 İndirim İmkanı)
₺150.444,12
Sadece Türk Lira'sına taksit yapılabilmektedir.
Model: B30 Ana ünite

AQUADRIVE CVB 32.30 AQUADRIVE CVB 32.30

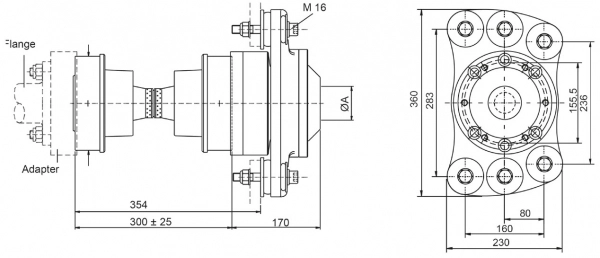
• Şaft Çapı: 70 mm’ ye kadar
• 350 HP ‘ ye kadar, ticari kullanımda 250 HP
• CV32 tek başına kullanıldığında 2500 rpm’ de 600 HP’ ye kadar makine gücünü kaldırabilir.
• Tahrik şaftının maksimum hızı 
• Taşıyıcı yatağın maksimum hızı 
• 350 HP = 260 kW (1HP~0.75kW)
• CV32 için 304 mm’ lik standart boyun haricinde talebe göre istenen uzunlukta imal edilebilir. 
• Standart şanzıman kaplin bağlantı kiti opsiyonel 
• Standart dışı kaplin adaptör kitleri özel sipariştir. 

Örnek Uygulama      
Tekne tipi Motor Gücü kW/HP Krankşaft devri rpm Şanzıman Oranı
Kayıcı 270/365 3000 02:01
Deplasman tipi Motoryat 195/265 2600 03:01

 
Üstteki örnekte optimum şartlarda şaft mafsalının 2 derecelik açıda olduğu kabul edilmiştir. 2 derecenin üzerindeki her açı için izin verilen maksimum güç %10 azaltılmalıdır
...
...
Sepete eklendi
Ürün sepetine eklendi.
Sepeti Gör