1870270383

AQUADRIVE CVB 42.30

Model: B30 CV.42 CV adaptör kit
₺25.110,64
Havale / EFT (%6 İndirim İmkanı)
₺23.604,00
Sadece Türk Lira'sına taksit yapılabilmektedir.
Model: B30 CV.42 CV adaptör kit

AQUADRIVE CVB 42.30 AQUADRIVE CVB 42.30

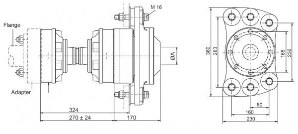
• Şaft Çapı : 70 mm’ ye kadar 
• 550 HP‘ ye kadar & ticari kullanımda 375 HP 
• CV42 tek başına kullanıldığında 2500 rpm’ de 800 HP’ ye kadar makine gücünü kaldırabilir. 
• Tahrik şaftının maksimum hızı 
• Taşıyıcı yatağın maksimum hızı 
• 550 HP = 410 kW (1HP~0.75kW)
• CV32 için 274 mm’ lik standart boyun haricinde talebe göre istenen uzunlukta imal edilebilir.
• Standart şanzıman kaplin bağlantı kiti opsiyonel 
• Standart dışı kaplin adaptör kitleri özel sipariştir. 

Örnek Uygulama      
Tekne tipi Motor Gücü kW/HP Krankşaft devri rpm Şanzıman Oranı
Yelkenli 310/420 2600 2.5:1
Deplasman tipi Motoryat 240/325 2800 03:01


 
Üstteki örnekte optimum şartlarda şaft mafsalının 2 derecelik açıda olduğu kabul edilmiştir. 2 derecenin üzerindeki her açı için izin verilen maksimum güç %10 azaltılmalıdır
...
...
Sepete eklendi
Ürün sepetine eklendi.
Sepeti Gör