Stokta yok
BARKA SRL Barka Elektrikli İkili Masa Ayağı. 24V.2 Kademe - 700mm

BARKA SRL

BARKA: Denizde Konfor ve Mühendisliğin Buluşma Noktası

Barka, denizcilik dünyasında "Made in Italy" mükemmeliyetini ileri teknolojiyle birleştirerek, modern yat tasarımı için yüksek performanslı elektrikli masa ayakları (pedestal) geliştiren küresel bir liderdir. Form ve fonksiyonun kusursuz uyumunu temsil eden ürünlerimiz; en zorlu deniz koşullarına dayanacak şekilde yüksek kaliteli anodize hafif alaşımlar ve paslanmaz çelikten üretilerek, maksimum korozyon direnci ve uzun ömürlülük garantisi sunar.

Teknolojinin sunduğu en sessiz ve sarsıntısız hareket kabiliyetine sahip 12V/24V motor sistemleri, 250 kg’a kadar varan yüksek taşıma kapasiteleriyle büyük ve ağır tablaları dahi zahmetsizce yönetir. 2 veya 3 kademeli teleskopik tasarım seçenekleri, yaşam alanlarınızı tek bir dokunuşla şık bir yemek masasından konforlu bir güneşlenme alanına dönüştürme esnekliği sağlar.

Çift ayaklı sistemlerde sunduğu milimetrik senkronizasyon ve 360 derecelik dönüş kabiliyeti, teknenizdeki ergonomiyi en üst seviyeye taşır. Estetikten ödün vermeyen gömme ve yüzey montaj seçenekleriyle Barka, sadece bir mobilya aksamı değil; denizdeki yaşam kalitenizi artıran profesyonel bir mühendislik çözümüdür.

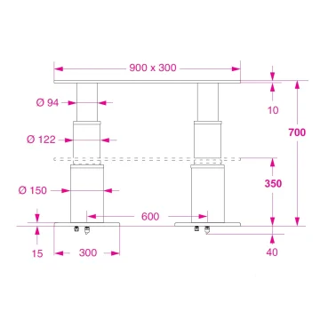
Parlak yüzeyli ve anodize alüminyumdan üretilmiştir.

İtme kuvveti: 160 kg – Hız: 16 mm/sn – Hareket mesafesi: 350 mm

Senkronize ve mekanik olarak birbirine bağlı iki ayak, daha büyük masalarla kullanım imkânı sağlar. Boru ve tabanların geniş ölçüleri sayesinde büyük ebatlı masalar için uygundur. İki kademeli teleskopik yapı, masa–yatağa dönüşüm için sıklıkla gerekli olan düşük minimum yüksekliğin elde edilmesini sağlar. Talep üzerine 12V–8A veya 24V–4A (x2) güç beslemesiyle çalışır. Elektrikli hareket istenilen herhangi bir konumda durdurulabilir. Zeminden yalnızca güç besleme kabloları ve (dış mekânda kullanıldığında) 12 mm çapında su tahliye hortumları geçirilir.

UYARI:
Elektrikli masa ayaklarını basınçlı su ile YIKAMAYINIZ. Elektrikli masa ayakları basınçlı suya maruz bırakılmamalıdır; aksi halde su sızması meydana gelebilir ve ürün arızalanabilir. Basınçlı su ile yıkama, ürünlerin garanti kapsamı dışında kalmasına neden olur.

 

 

 

Stok Kodu : 3373802693

BARKA SRL Barka Elektrikli İkili Masa Ayağı. 24V.2 Kademe - 700mm

Fiyatı
₺325.517,57
Havale / EFT %6 havale indirimi
₺305.986,52
Sadece Türk Lirası'na taksit yapılabilmektedir.
Ücretsiz kargo
İlk favorileyen sen ol
Paylaş
Müşteri Geri Bildirimleri
Son Yorumlar
Bu ürün için ilk değerlendirmeyi yapan sen olabilirsin.
Henüz değerlendirme yok
Bu ürün hakkında ilk yorumu yazarak diğer ziyaretçilere yardımcı olabilirsin.
Sepete eklendi
Ürün sepetine eklendi.
Sepeti Gör