Model: 50840-2024
Volt: 24V
Jabsco Santrifüj Siklon Pompa
Sağlam, yüksek verimli ve akışlı, uzun ömürlü sirkülasyon pompası. Tipik uygulamalar arasında sıcak ve soğuk su sistemleri, silecek yıkama, livar ve canlı yem tankı sistemleri ve sıvı transferi bulunur. Siklon serisi pompalar ayrıca deniz suyu, tatlı su, antifriz, hafif kimyasallar ve sintine suyunu da pompalayabilir ve 4 ºC ile 95 ºC arasındaki sıvı sıcaklıklarında çalışabilir.
• 0,1 m yükseğe dakikada 100 litre (22 galon/dakika) çıkış
• 9 psi (0.6 bar) maksimum basınç
• Sağlam paslanmaz çelik gövde ve tıkanma önleme tasarımlı pervane
• Kapatma nozulu ile kullanılabilir
• Kendiliğinden emişli değildir, akış gerektirir
• Önerilen minimum toplam yükseklik 4 m
• Sürekli çalışabilir
• USCG 183.410 ve ISO 8846 ve ISO 8849 Marin şartları ile uyumlu
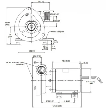
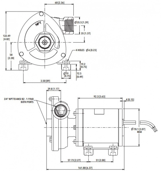
Bağlantılar: ¾” BSP dahili dişli portlar
Boyutlar: 163 mm uzunluk, 120 mm genişlik, 122 mm yükseklik
Sigorta değeri: 5 A
Maksimum Akım: 3,5 A
...
...