MANSHİP Düşük profilli hatch.
Gri akrilik cam. İçeriden açılımlı tip. 180° açılabilme imkanı. 32 mm yükseklik. Tüm çerçeve ve menteşeler 316 paslanmaz çeliktir. Görünmeyen yüzeylerin paslanmazlığını sağlamak amacıyla elektro polisaj yapılmıştır. Tüm ağır şartlara dayanıklı neopren contası vardır.
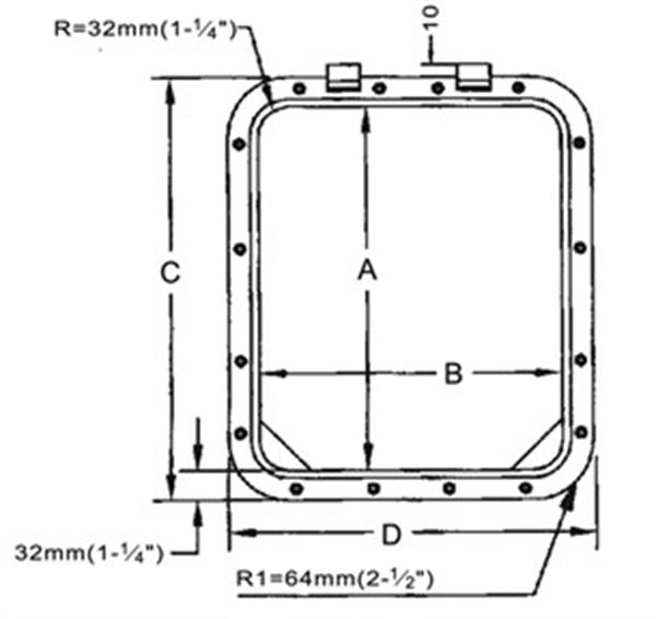
Montaj Ebadı A:369 mm
Dıştan Dışa Ebat D:559 mm
Montaj Ebadı B:495 mm
Ağırlık:8.1 kg
Ebat (mm):369x495
Dıştan Dışa Ebat C:433 mm
...
...