1856110190

MANSHİP Düşük profilli hatch tek açılım 610x610

₺73.585,08
Havale / EFT (%6 İndirim İmkanı)
₺69.169,98
Sadece Türk Lira'sına taksit yapılabilmektedir.

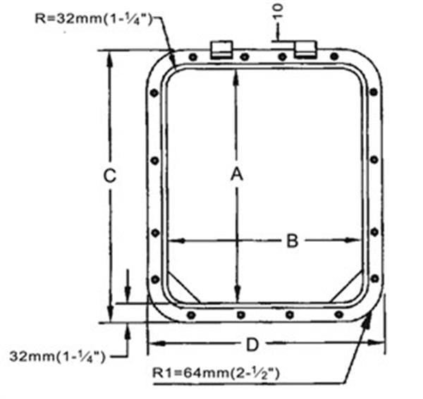
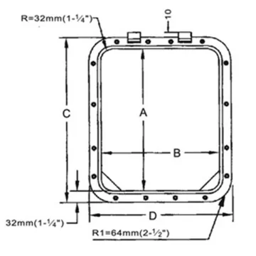
MANSHİP Düşük profilli hatch.
Gri akrilik cam. İçeriden açılımlı tip. 180° açılabilme imkanı. 32 mm yükseklik. Tüm çerçeve ve menteşeler 316 paslanmaz çeliktir. Görünmeyen yüzeylerin paslanmazlığını sağlamak amacıyla elektro polisaj yapılmıştır. Tüm ağır şartlara dayanıklı neopren contası vardır.

Ebat (mm):610x610
Dıştan Dışa Ebat C:674 mm
Montaj Ebadı A:610 mm
Dıştan Dışa Ebat D:674 mm
Montaj Ebadı B:610 mm
Ağırlık:13.0 kg
...
...
Sepete eklendi
Ürün sepetine eklendi.
Sepeti Gör