MANSHİP Oval sabit lumboz. Temperli cam, çerceveler 316 paslanmaz çeliktir. Uygulanabilir yüzey kalınlığı max: 60 mm, görünmeyen yüzeylerin paslanmazlığını sağlamak amacıyla electro polisaj yapılmıştır.
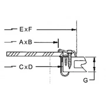
Montaj Boyutu CxD:137x315 mm
Dıştan Dışa Boyut ExF:200x378 mm
Model AxB:127x305 mm
...
...