Amper: 70A
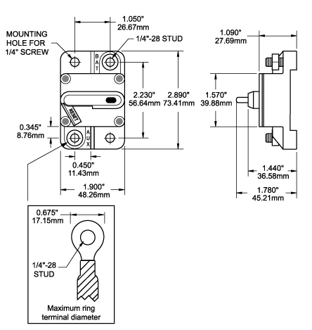
Blue Sea Systems otomatik sigorta. Su geçirmez. Sıva üstü montaj. Blue Sea Systems otomatik sigorta. Su geçirmez. Sıva üstü montaj. Sigorta ve switch işlevi bir arada. Vapor-proof özelliği ile benzin buharı riski olan bölümlerde de güvenle kullanılabilir. 12/24V.
...
...