3706484852

MANSHİP Düşük profilli hatch çift açılım 369x495

₺59.363,85
Bank Transfer / EFT (Save 6%)
₺55.802,02
Installments are available only in Turkish Lira.

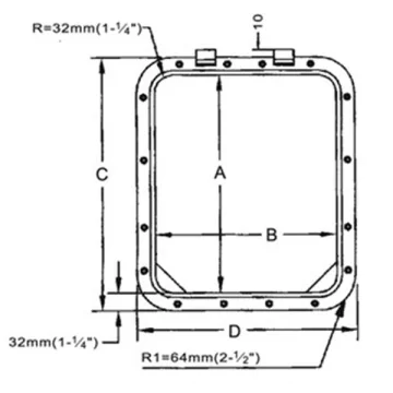
MANSHİP Düşük profilli hatch.
Gri akrilik cam. İçeriden ve/veya dışarıdan açılabilir. 180° açılabilme imkanı, 32 mm yükseklik. Tüm çerçeve ve menteşeler 316 paslanmaz çeliktir. Görünmeyen yüzeylerin paslanmazlığını sağlamak amacıyla elektro polisaj yapılmıştır. Tüm ağır şartlara dayanıklı neopren contası vardır.

Ebat (mm):369x495
Dıştan Dışa Ebat C:433 mm
Montaj Ebadı A:369 mm
Dıştan Dışa Ebat D:559 mm
Montaj Ebadı B:495 mm
Ağırlık:8.5 kg
...
...
Added to cart
Product added to cart.
View cart