288910214

MANSHİP Düşük profilli hatch çift açılım 788x788

₺104.332,51
Bank Transfer / EFT (Save 6%)
₺98.072,56
Installments are available only in Turkish Lira.

MANSHİP Düşük profilli hatch.
Gri akrilik cam. İçeriden ve/veya dışarıdan açılabilir. 180° açılabilme imkanı. 47 mm yükseklik. Tüm çerçeve ve menteşeler 316 paslanmaz çeliktir. Görünmeyen yüzeylerin paslanmazlığını sağlamak amacıyla elektro polisaj yapılmıştır. Tüm ağır şartlara dayanıklı neopren contası vardır.

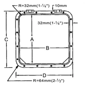
Montaj Ebadı A:788 mm
Dıştan Dışa Ebat D:852 mm
Montaj Ebadı B:788 mm
Ağırlık:20 kg
Ebat (mm):788x788
Dıştan Dışa Ebat C:852 mm
...
...
Added to cart
Product added to cart.
View cart